Логический модуль Siemens LOGO! 12/24RCо

Характеристики модулей Siemens LOGO!12/24RCо 6ED1052-2MD00-0BA6:
- Параметры питания: 12/24В;
- Дискретные входы: 8 (4 могут выполнять функции аналоговых);
- Дискретные выхода: 4 (нормально разомкунутые реле);
- Особенности памяти: 200 блоков;
- Дополнительные возможности: расширение функционального потенциала модулями ввода/вывода.
Цена: от 3 486 руб.
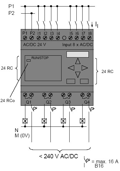
Общее описание

- 1 - источник питания
- 2 - входы
- 3 - выходы
- 4 - Индикатор RUN/STOP
- 5 - специальная защелка
- 6 - интерфейс расширения
- 7 - штифты механической кодировки
- 8 – опции механического кодирования - гнёзда
Особенности схемы подключения и максимальной конфигурации LOGO!12/24RCо

Оборудование с заказным номером 6ED1052-2MD00-0BA6 поддерживает 24 цифровых входов, 8 аналоговых входов, а также 16 цифровых и 2 аналоговых выхода. Для достижения параметров, характерных для максимальной конфигурации, используют нижеприведенную методику:
- Максимальная конфигурация с аналоговыми входами – 4входа (LOGO!12/24RC/RCo и LOGO!24/24o)

- Максимальная конфигурация модулей LOGO! с аналоговыми входами (используется 2 входа (LOGO! 12/24 RC/RCo и LOGO !24/24o)

Специфика монтажа модуля LOGO! 12/24RCо

Поэтапный монтаж на DIN-рейку:
1. На первом этапе осуществления монтажных работ следует навесить модуль на рейку;
2. Путем нажимания на нижнюю часть, срабатывает специальная защелка модуля, выполняется надежная его фиксация (защелка расположена на задней части прибора);
3. С правой стороны модуля находится крышка разъема, которую необходимо снять;
4. С правой стороны от LOGO!Basic помещается модуль на DIN-рейку;
5. Перемещаем модуль в левую сторону таким образом, чтобы последний контактировал с LOGO!Basic;
6. Посредством отвертки защелка отодвигается влево, после чего она должна занять крайнее левое положение.
Монтаж дополнительного оборудования выполняется путем поэтапного повторения всех пунктов, относящихся к монтажу цифрового модуля.
Поэтапный монтаж на стену:
Аккуратно переместите монтажные защелки наружу, как правило, они расположены на задней стенки устройства. Непосредственно монтаж модуля выполняется при помощи двух монтажных защелок и двух винтов ØM4 (момент затяжки 0,8-1,2Нм).
Технические характеристики LOGO! 12/24RCо
|
Блок питания: |
|
|---|---|
|
Входное напряжение |
12/24В (ток постоянный) |
|
Допустимый диапазон |
10,8...28,8В (ток постоянный) |
|
Защита от обратной полярности |
Имеется |
|
Потребление тока |
30...140мА |
|
Буферизация исчезновения напряжения |
тип. 2мс |
|
Мощность потерь |
0,3...1,7Вт |
|
Буферизация часов в условиях 25°C |
тип. 80час. |
|
Точность опции часов реального времени |
тип. ±2 с/день |
|
Цифровые входы: |
|
|
Количество |
8 |
|
Потенциальная развязка |
Нет |
|
Входное напряжение L при |
< 5В (ток постоянный) |
|
Входной ток при |
< 1,0мА (I1...I6) > 1,5мА (I1... I6) |
|
Время задержки при |
тип. 1,5мс <1,0мс (I5, I6) |
|
Длина линии (неэкранированной) |
100 м |
|
Аналоговые входы: |
|
|
Количество |
2 (I7 = AI1, I8 = AI2) |
|
Диапазон |
0...10В (ток постоянный) входной импеданс 76кОм |
|
Время цикла, необходимое для формирования аналоговых значений |
300мс |
|
Входное напряжение (max) |
28,8В (ток постоянный) |
|
Длина линии (экранированная витая пара) |
10м |
|
Цифровые выходы: |
|
|
Количество |
4 |
|
Тип выходов |
Релейные выходы |
|
Потенциальная развязка |
Да |
|
Группами по |
1 |
|
Управление цифровым входом |
Да |
|
Длительный ток Ith (на клемму) |
10A на реле (max) |
|
Нагрузка из ламп накаливания (25 000 циклов переключения) |
1000Вт |
|
Люминесцентные лампы с дросселем (25 000циклов переключения) |
10 x 58Вт |
|
Люминесцентные лампы с обычной компенсацией |
1 x 58Вт |
|
Люминесцентные лампы, некомпенсированные (25000 |
10 x 58Вт |
|
Понижение номинала |
нет; во всем диапазоне температур |
|
Устойчивость к коротким замыканиям при cos = 1 |
Защита по питанию B16 600A |
|
Устойчивость к коротким замыканиям при cos от 0,5 до 0,7 |
Защита по питанию B16 900A |
|
Параллельное включение выходов для увеличения мощности |
Не допускается |
|
Защита выходного реле (если желательна) |
макс. 16A, характеристика B16 |
|
Частота включений: |
|
|
механическая |
10Гц |
|
омическая/ламповая нагрузка |
2Гц |
|
индуктивная нагрузка |
0,5Гц |