info@mehprivod.ru
ООО Мехтехника
Тел.: 8 (800) 505-36-88

Шарико-винтовые передачи (ШВП)

Шарико-винтовые передачи (ШВП)

Шарико-винтовая передача включает ходовой винт, а также гайки с интегрированными шариками и механизмом их возврата. Как правило, шарико-винтовые передачи находят свое эффективное применение в промышленных машинах и агрегатах и прецизионном оборудовании. Передачи отвечают за преобразование вращательного движения в поступательное и наоборот. Данный процесс обеспечивается при высоком КПД и точности. За счет минимальных потерь, приходящихся на трение, оборудование характеризуется высокой жесткостью и плавным ходом. В силу того, что шарико-винтовые передачи разрабатываются высококвалифицированными инженерами, в их качестве и долговечности работы сомневаться не приходится. Подтверждением тому многочисленные положительные отзывы покупателей и заказчиков.

Цена: от 950 руб.

Общее описание

Технические характеристики оборудования:

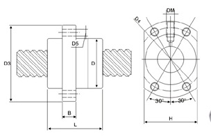
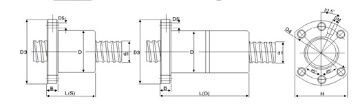
Технические характеристики оборудования

Шарико-винтовые передачи

Тип
оборудования

Параметры

Общие показатели

D1

ph

DW

n

D

D3

D4

H

B

L(S)

L(D)

DM

D5

Са

Coa

SFU

16

5

3.175

3

28

48

36

40

10

44

83

M6

6.6

780

1790

SFU

20

5

3.175

3

36

58

47

44

10

44

83

M6

6.6

1130

2380

SFU

25

5

3.175

3

40

62

51

48

10

44

86

M6

6.6

1280

3110

SFU

32

5

3.175

4

50

80

65

52

12

52

97

M6

9

1450

4150

SFU

40

5

3.175

4

63

93

78

70

14

55

101

M6

9

1610

5330

SFU

50

5

3.175

4

71

110

90

85

14

55

102

M6

9

2225

6150

SFU

20

10

3.969

2

36

58

47

44

12

60

 

M6

6.6

1950

4240

SFU

25

10

3.5

2х2

20

62

51

48

10

61

71

M6

6.6

2440

4070

SFE

10

10

3.175

3,5

32

53

42

38

10

50

 

M6

4.5

1260

3080

SFE

16

16

3

2х1,175

32

53

42

38

10

39

 

M6

4.5

650

1280

SFE

20

20

3.5

4х0,88

39

58

50

41

10

47

 

M6

5.5

1780

4280

SFE

25

40

3.175

4х0,75

38

58

48

41

10

41

 

M6

5.5

1470

3350