Тормозные резисторы для преобразователей частоты

Применяются для рассеивания энергии, возникающей в случае принудительного торможения. Окружение тормозного резистора может вызывать повышение температуры после продолжительной разрядки. Устанавливайте его, соблюдая достаточное расстояние до устройств, которые нельзя нагревать. Тормозной резистор должен устанавливаться в хорошо вентилируемом месте. В случае отсутствия такой возможности необходимо установить вентилятор для охлаждения. Подбор, установка и использование должны осуществляться квалифицированным персоналом. Определенный тип тормозных резисторов подбирается исходя из особенностей и технических характеристик каждого отдельно взятого вида преобразователя. Но, как правило, тормозные резисторы разрабатываются для широкого применения, что делает их универсальными аксессуарами для ПЧ. Что касается специального спектра применений, то в этом случае тормозные резисторы должны соответствовать узкоспециализированным требованиям.
Цена: от 500 руб.
Мощность: 100 (Вт) ~ 10 (кВт)
Сопротивление: 5 (Ом) ~ 500 (Ом)

Общее описание
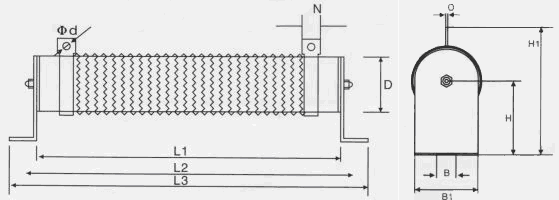
Керамические тормозные резисторы мощностью от 50 до 2500 Вт

|
Мощность, Вт |
Размеры, мм |
||||||||||
|---|---|---|---|---|---|---|---|---|---|---|---|
|
L1(±2) |
L2(±5) |
L3(±3) |
D(±2) |
B |
B1 |
H |
H1(±3) |
N |
d |
O |
|
|
50 |
102 |
124 |
146 |
28 |
6.5 |
28 |
28 |
61 |
10 |
4.5 |
1.2 |
|
60 |
102 |
124 |
146 |
28 |
6.5 |
28 |
28 |
61 |
10 |
4.5 |
1.2 |
|
80 |
152 |
174 |
196 |
28 |
6.5 |
28 |
28 |
61 |
10 |
4.5 |
1.2 |
|
100 |
182 |
204 |
226 |
28 |
6.5 |
28 |
28 |
61 |
10 |
4.5 |
1.2 |
|
120 |
182 |
204 |
226 |
28 |
6.5 |
28 |
28 |
61 |
10 |
4.5 |
1.2 |
|
150 |
195 |
217 |
239 |
40 |
8 |
40 |
41 |
81 |
12 |
5.5 |
2.0 |
|
200 |
195 |
217 |
239 |
40 |
8 |
40 |
41 |
81 |
12 |
5.5 |
2.0 |
|
300 |
282 |
304 |
326 |
40 |
8 |
40 |
41 |
81 |
12 |
5.5 |
2.0 |
|
400 |
282 |
304 |
326 |
40 |
8 |
40 |
41 |
81 |
12 |
5.5 |
2.0 |
|
500 |
316 |
338 |
360 |
50 |
8 |
50 |
45 |
101 |
16 |
6 |
2.0 |
|
600 |
345 |
367 |
389 |
60 |
8 |
40 |
41 |
119 |
12 |
5.5 |
2.0 |
|
750 |
316 |
338 |
360 |
60 |
8 |
50 |
45 |
119 |
16 |
6 |
2.0 |
|
1000 |
300 |
325 |
350 |
70 |
8.5 |
60 |
60 |
130 |
16 |
6 |
2.0 |
|
1200 |
415 |
440 |
465 |
70 |
8.5 |
60 |
60 |
130 |
16 |
6 |
2.0 |
|
1500 |
415 |
440 |
465 |
70 |
8.5 |
60 |
60 |
130 |
16 |
6 |
2.0 |
|
2000 |
510 |
535 |
560 |
70 |
8.5 |
60 |
60 |
130 |
16 |
6 |
2.0 |
|
2500 |
600 |
625 |
650 |
70 |
8.5 |
60 |
60 |
130 |
16 |
6 |
2.0 |
Алюминиевые тормозные резисторы мощностью от 40 до 500 Вт
![]() |
Мощность резистора, Вт |
Габаритные размеры, мм |
Вес, г |
|---|---|---|---|
|
40 |
80*40*20 |
68 |
|
|
60 |
115*40*20 |
103 |
|
|
80 |
140*40*20 |
128 |
|
|
100 |
165*40*20 |
153 |
|
|
120 |
184*40*20 |
170 |
|
|
150 |
215*40*20 |
200 |
|
|
200 |
167*60*30 |
157 |
|
|
300 |
215*60*30 |
205 |
|
|
400 |
268*60*30 |
258 |
|
|
500 |
335*60*30 |
325 |
Резисторные сборки мощностью от 1 до 20 кВт
|
|
Тип |
Мощность, кВт |
Вес, кг |
|---|---|---|---|
|
BRU |
1-3 |
4 |
|
|
5-10 |
6 |
||
|
15-20 |
10 |
Резисторные сборки мощностью от 20 до 200 кВт
|
|
Тип |
Мощность, кВт |
Крепления |
Вес, кг |
Сечения провода, мм2 |
Комбинации |
|---|---|---|---|---|---|---|
|
PRU |
20 |
M10 |
20 |
10 |
8*2.5 |
|
|
40 |
M10 |
40 |
16 |
16*2.5 |
||
|
60 |
M10 |
60 |
25 |
24*2.5 |
||
|
100(80) |
M12(M10) |
100(80) |
50(36) |
32*3(32*2.5) |
||
|
200 |
M12 |
200 |
120 |
64*3 |


